車載控制系統控制策略的開發,不管是采用敏捷模式、前后溯源逐步迭推模式,還是分層式、主從式,多是通過“V”字型開發流程采用模型化的開發方法(MBD, Model based development)來完成。

“V”字型開發流程圖
針對這一開發流程,中汽中心 工程院 汽車風洞測試與應用重點實驗室建立了整車熱系統功能性能對標測試分析、系統構型、系統功能性能仿真、控制快速原型、系統標定、系統仿真測試分析(在建)、關鍵零部件及系統實際環境測試分析等全流程關鍵節點的開發能力。
整車熱系統功能、性能對標測試分析(sys benchmarking)
作為產品需求分析、市場定位分析的重要環節,對標(Benchmark)測試是常用手段。根據行業里對整車熱系統控制對標測試分析的需要,風洞測試與應用重點實驗室開發團隊已經掌握了各種情況下的CAN、LIN通訊協議的解析能力,還具備了外加測試通道實測相應性能數據的能力?;诖?,開發團隊具備了新能源汽車熱系統及動力總成系統能耗測試并對測試數據進行自動分析計算的能力和分析整車熱系統控制的功能、性能并得到Benchmark解析報告的能力(能量流可自動計算分解到續航工況下的每一個循環的每一個器件)。

計算程序界面
整車熱系統構型(sys building)
根據待開發整車的設計空間布局、電池電驅系統的配置及其性能標準、乘員艙的制冷和制熱需求、主動及被動冷卻和余熱利用的工作模式,以及參照Benchmark測試數據庫的數據或對比數據,進行熱系統總布置的設計構建符合要求的熱系統構型。

構建某一混動車型TMS構型圖
首先根據整車熱系統構型與性能要求,進行系統內關鍵零部件的選型和功能性能驗證,其次依據性能仿真的結果對當前的熱系統可開展多種分析優化工作。分析優化的工作包括但不限于:系統工作風險與熱害分析、性能性能與零部件熱害防護的折中優化、不同模式不同工況與不同負荷下能耗分析與能耗耗散分析、總布置與流道和工作模式的優化、系統性能與成本的折中優化,各零部件之間的關聯協調與控制邏輯設計等。
系統功能、系統性能仿真(sys simulating)
針對各類熱系統構型,基于Simulink + Amesim建立相應的模型,對系統和系統中的部件的功能和性能進行仿真和虛擬驗證??蓪崿F熱系統中執行部件如電動壓縮機、各類閥、水泵、PTC、鼓風機和風門電機等各種的動作是否到位,是否滿足相應的實時響應要求,結合實驗數據進行軟標定。在系統性能模型中,分析性能是否滿足設定要求,各種散熱器(包含冷凝器、蒸發器、液液板換)性能是否滿足設計要求,并在實際工況模型中進行必要的優化。在系統性能驗證中還可驗證升降溫響應、冷卻水流量、制冷劑充量、壓縮機轉速、壓縮機功耗限值、水泵控制方式、風扇控制方式、鼓風機控制方式、艙內溫濕度控制是否滿足人體舒適區間要求、電池水熱系統是否滿足其工作溫度區間要求等。必要時,可仿真出不同性能的工作模式,節能模式、舒適模式、常規模式與極限模式。
結合熱系統控制與原型需求、溫度分布區間與分布均勻性需求,對熱系統構型做必要的優化,提出策略原型邏輯框圖。

熱系統性能仿真模型圖
控制快速原型(RCP)
基于1D性能仿真優化后的構型,結合熱系統構型和控制策略原型邏輯圖,選用熱系統中相應的部件如電動壓縮機、電子膨脹閥、鼓風機、PTC等部件,制作或選取相應的管道、流道等器件,在選取合適的實時控制器和IO端口后便可便捷地將熱管理的控制程序下載編譯到實時控制器中,快速構建起目標的快速控制原型(RCPs,Rapid Control Prototype system)。
在沒有生產出車載級的熱管理系統控制單元時,可采用快速原型的方式將快速將TMS驅動起來。在快速原型的方案中,選取適當算力的原型控制器代替車載的實時控制器;選取配置功能豐富的接口代替嵌入式系統接入熱系統中的真實器件。本方案可驗證熱系統的控制策略是否滿足設計;驗證控制系統是否可靠;驗證TMS中零部件的性能,最終將驗證后的系統信息和系統中軟硬件的指標作為硬件開發的輸入對車載級TMS控制單元的開發起到指導作用。該RCPs,具有豐富的周邊IO接口,依據熱系統構型的需要,可靈活配置,已經開發了一套運行通驗證的原型軟件,針對其它不同TMS構型,只需要調整接口、替換控制邏輯模塊“CaculateSub”,進行適當的配置即可運行控制。

熱系統RCP模型圖(軟接口底層驅動及控制程序)
基于RCPs可直接運行在Simlink、C、C++開發的模型程序,驗證并優化調整控制策略,同時軟件模型可輕松實現反復修改、模塊化復用和封裝、更換底層驅動等方式針對不同控制器重新編譯下載,這都極大地便利了控制策略的實行和TMS系統軟件的開發。基于這一特點便于在開發的前期或半實物狀態和真實環境下反復研究、配置系統,減少了開發的費用,提高了開發的效率。

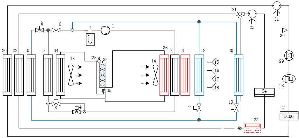
熱系統RCP系統圖(硬件系統)
基于RCPs可實施TMS零部件的標定工作和零部件性能驗證工作。TMS中的溫度、壓力、陽光和空氣質量傳感器、出風口工作段和風門位置的標定可通過RCPs來實現。TMS中電動壓縮機、PTC、鼓風機、風扇和水泵等執行部件的功能性能要控制指令(開關指令、PWM波、LIN控或CAN控物理值)之間的關系可通過RCPs來驗證。TMS中各部件的性能和功能驗證如,運行能力、NVH特性測試、PTC功耗測試、制熱量測試和水泵功耗等測試都可通過零部件的在環測試實現。以上對于零部件的驗證,在開發的前期實現合適的零部件替代,提高零部件在熱系統的性價比。
基于以上工作構建出適合整車的熱系統,必要時進行操作運行界面虛擬開發和測試監控界面開發,如下圖示:

熱系統RCP模型圖(操作運行界面)
除零部件的測試驗證外,RCPs可完成控制仿真之后的真實器件系統級控制的實現、系統級的標定,也在車載ECU未開發出來時代替完成HIL測試、實現對整車級的TMS控制,完成整車級的標定工作;可完成TMS零部件、系統在臺架、系統在整車的電能耗測試、工作效率測試,結合環境實驗室可實施TMS零部件、系統在臺架、系統在整車的工作狀態的熱害測試等。
汽車風洞測試與應用重點實驗室為行業開發的RCPs,基于真實器件,既可對TMS中的任一器件實施實時的控制,即任何一臺風門電機、電控壓縮機、電子風扇、電動鼓風機、電動水泵、PTC、電子膨脹閥等單獨實施控制,完成零部件的控制相關測試與驗證;也可對TMS系統在臺架狀態以及在整車狀態實施系統級控制,完成臺架在環境實驗和整車在環境實驗;還可對車載其它真實執行器件實施控制,如任何一扇車門及其玻璃的升降控制、后視鏡的動作控制、座椅加熱與通風控制、座椅姿態調節、主動格柵(AGS)的動作控制、刮水器電機的控制、玻璃清潔噴水系統控制、轉向電機控制、氣囊點爆控制、安全帶預緊控制等幾乎所有的車身電子、舒適電子的快速原型控制。實現TMS、車身電子與整車的同步開發、驗證。
至此,基于該TMS控制開發平臺(含物理構型和原型控制的平臺硬件和軟件模型,可滿足熱系統控制需求實時運行),既可完成熱系統控制策略的開發服務,也可單獨向行業提供熱系統及其零部件的標定、測試驗證服務;基于該開發平臺技術,實施各種熱系統自主控制對標測試與驗證測試,完成控制方案開發驗證,直至最終交付成套的整車熱系統方案和技術。
